159S98/0108-1型刮板
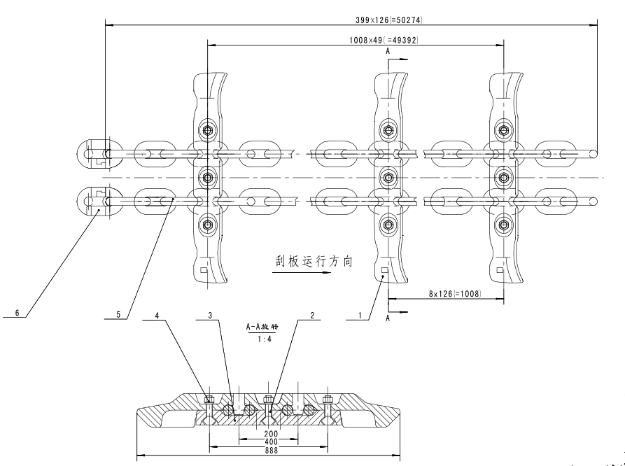
- 简介: 159S98/0108-1型刮板,技术参数:总长888mm,中心距200mm,重量约37KG,综采配件,适用于综采刮板输送机。 刮板输送机的工作原理是,将敞开的溜槽,作为煤炭、矸石或物料等的承受件,将刮板固定在链条上(组成刮板链),作为牵引构件。当机头传动部启动后,带动机头轴上的链轮旋转,使刮板链循环运行带动物料沿着溜槽移动,直至到机头部卸载。刮板链绕过链轮作无级闭合循环运行,完成物料的输送。
咨询热线:156-7033-6688
留言给ng电子
产品详细
159S98/0108-1型刮板,技术参数:总长888mm,中心距200mm,重量约37KG,综采配件,适用于综采刮板输送机。
刮板输送机的工作原理是,将敞开的溜槽,作为煤炭、矸石或物料等的承受件,将刮板固定在链条上(组成刮板链),作为牵引构件。当机头传动部启动后,带动机头轴上的链轮旋转,使刮板链循环运行带动物料沿着溜槽移动,直至到机头部卸载。刮板链绕过链轮作无级闭合循环运行,完成物料的输送。

- 上一篇:Q/ZM164-1988型横梁
- 下一篇:153S01/0116-1型刮板


